There are currently no product reviews.
NOTE: Reviews require prior approval before they will be displayed
Features:
Stainless steel material, suitable for vacuum environments
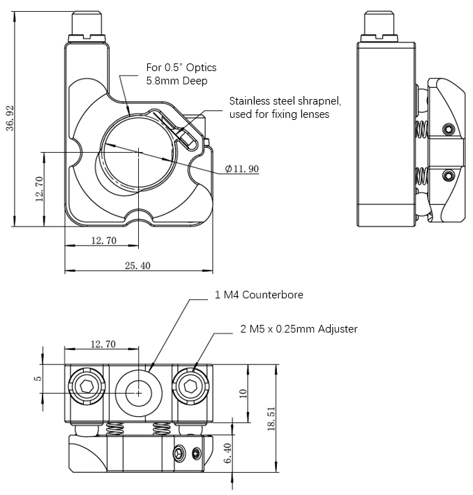
Designed for use with Ø1/2" or Ø1” optics and long-term stability
+3°/-2.5° and +/-4° mechanical angular range
~14 mrad/rev Resolution
2 vertical-drive M5x0.25 fine adjusters
Description:
These 2-Adjuster Kinematic Mirror Mounts provide long-term stability and high-resolution adjustment using vertical drives. This design allows for adjustment in situations where there may not be space behind the mount for horizontal access to the adjusters. The monolithic front plate and stiff springs used make these mounts ideal for OEM applications that require reliable operation in rugged environments.
To secure an optic, the mounts use a monolithic flexure arm that can be actuated using an M5 hex key. The monolithic flexure arm design keeps wavefront distortion on the mounted optic to a minimum while providing a strong optic retention force.
The adjusters on these mounts can be locked using the locking collars. Two are pre-installed on the mounts, one for each adjuster. The included locking collars can be loosened or tightened most easily using the MM-23-T0525 spanner wrench. The spanner wrench has a hole through its center, which accepts an M5 hex key, allowing the adjuster to be held in place while the locking collar is tightened.
Post mounting is provided by an M4 counterbore. For custom mounting configurations, two Ø2 mm alignment pin holes are located on each mounting face for setting a precise location and mounting angle.
Specifications:
|
Model |
MM-23-K05VT2 |
MM-23-K1VT2 |
|
Optic Size |
Ø1/2" |
Ø1" |
|
Optic Thickness (Min) |
3.5 mm |
|
|
Number of Adjusters |
Two |
|
|
Adjuster Drive |
Vertical Drive, M5 |
|
|
Adjuster Pitch |
0.25 mm |
|
|
Repeatability |
2 μrad |
|
|
Adjustment per Revolution |
14.14 mrad/rev |
6.63 mrad/rev |
|
Mechanical Angular Range |
+3°/-2.5° |
±4° |
|
Mounting |
One M4 Counterbore |
Two M4 Counterbores |
|
Alignment Pin Holes |
Two on Either Side of Center Counterbore |
|
Drawing:
MM-23-K05VT2:

MM-23-K1VT2:

Solidworks Model (.STEP):
Payment Methods
Credit Card
We accept credit card payment by PayPal. Please select PayPal payment when you place the order. At the PayPal payment page, please fill in your credit card information. We will receive your payment by PayPal. Both Private credit card and Company credit card can be used by PayPal payment.
When you use this payment method, there will be an additional 3% PayPal service fee charged by us.
PayPal Account
If you have a PayPal account, you may pay with your PayPal account without filling your billing address.
When you use this payment method, there will be an additional 3% PayPal service fee charged by us.
Wire Transfer
We can also accept payment by wire transfer. Please contact us to get an official proforma invoice with our bank details.
When you use this payment method, you should pay all the banking fees for both sides.
Shipping & Delivery
Generally, we will ship your order within 5 business days after the order date. But the shipping date may vary by product and quantity. If you need an exact shipping date, please contact us before ordering online.
The default shipping method is FedEx. We may also use DHL, TNT or UPS according to the real situation. The transmit time will vary by destination. It’s generally about 4-7 days.
You can get the shipping cost on the cart page after the items are added in.
Any duty or customs imposed on international shipments are the sole responsibility of the recipient.